ООО "ПТК "Энергомаш"

ул. Университетская, 45/16, г. Славянск, Дон. обл., Украина, 84122
тел: +380(95) 723-52-22, +380(96) 786-81-18
(viber, telegram)
E-mail: em@em.dn.ua
  о компании контакты потребности партнеры  
/ Изоляторы / Высоковольтный ввод ГКТIII-60-363/1000 О1 (ИВУЕ.686354.124)  

Изоляторы

Линейная арматура для ЛЭП

Арматура для СИП

Оборудование для ЛЭП и СИП

Оборудование для контактной сети железных дорог

Трансформаторы тока и напряжения

Высоковольтное оборудование

Конденсаторы высоковольтные и низковольтные

Кабельные муфты

Предохранители

 

   
 

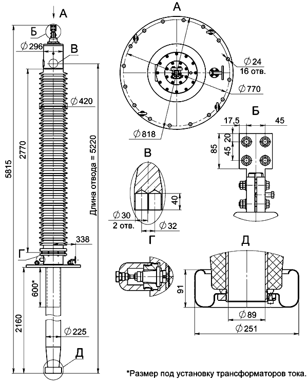
Высоковольтный ввод конденсаторного типа с внутренней RIP и фарфорововой наружной изоляцией ГКТIII-60-363/1000 О1 (ИВУЕ.686354.124) предназначен для вывода высокого напряжения из бака трансформатора на 330 кВ.

Особенности конструкции ввода:

  • Ввод протяжного типа;
  • Внутрення изоляция типа RIP: низкий уровень ЧР, минимальные габариты;
  • Минимальное количество масла;
  • Простота конструкции, монтажа и эксплуатации;
  • Измерительный вывод с возможностью длительного подсоединения средств диагностики.

Ввод ГКТIII-60-363/1000 О1 (ИВУЕ.686354.124) взаимозаменяем с выпускавшимися ранее вводами для трансформаторов с бумажно-масляной, маслобарьерной и твердой изоляцией на 330 кВ:

ГМТПА-60-330/1000 (2ШЦ.800.093)
ГМТПБ-60-330/1000 (2ШЦ.800.093-01)
БМТП/30-330/630 (197-0-0)
БМТП/45-330/1000У (224-0-0)
БМТ/45-330/1000У (224-0-0)
ГМТII-60-330/1000 (ИВЕЮ.686343.008)
ГМТА-60-330/1000 (ИВЕЮ.686343.003)
ГМТБ-60-330/1000 (ИВЕЮ.686343.003-02)
ГКТII-60-330/1000 (ИВЕЮ.686353.001) - выпускался до 2010 г.

   
 


Высоковольтный ввод ГКТIII-60-363/1000 О1 (ИВУЕ.686354.124)

Высоковольтный ввод ГКТIII-60-363/1000 О1 (ИВУЕ.686354.124)

Технические характеристики:

Напряжение наибольшее рабочее 50 Гц

кВ

362

Напряжение наибольшее рабочее фазное

кВ

210

Напряжение испытательное для частичных разрядов (ЧР)

кВ

362

Уровень ЧР

пКл

<10

Напряжение испытательное 50 Гц, 1 мин.

кВ

510

Напряжение испытательное грозового импульса полной волны 1,2/50мкс

кВ

1175

Номинальный ток

А

1000

Максимальный ток, lmax

А

1000

Сечение проводника при lmax

кв. мм.

2х280

Ток термической стойкости в течение 2с, lth

кА

25

Ток динамической стойкости, ld

кА

62,5

Разрядное расстояние

мм

2770

Длина пути утечки min

мм

9050

Температура окружающей среды

град.

-60  +55

Температура масла трансформатора, максимальная среднесуточная

град.

90

Угол установки

град.

60

Испытательная консольная нагрузка

Н

2500

Масса

кг

650

 

Варианты обозначения: Высоковольтный ввод ГКТ III-60-363/1000 О1 (ИВУЕ686354.124), ГКТП-60-363/1000 О1 (ИВУЕ.686354124), ГКТ3-60-363/1000 О1 (ИВУЕ686354124), ГКТ 3-60-363/1000 О1 (ИВУЕ.686354-124)

Заказать продукцию

 

   



E-mail: em@em.dn.ua | Тел: +380(95) 723-52-22, +380(96) 786-81-18